It-TS508D huwa erba 'assi fi servo drive ibridu wieħed, li jfisser li jista' jsuq separatament għal muturi fl-istess ħin, u t-teknoloġija ta 'kontroll kurrenti varjabbli tnaqqas it-tisħin ta' servo drive ibridu u servo motor faċli, u d-daqs tas-servo drive faċli huwa żgħir, li jiffranka l-ispazju u l-kost tal-merkanzija. L-inqas dettalji huma:
Speċifikazzjonijiet
● Teknoloġija avvanzata DSP 64bit DSP b'qalba doppja
● Żewġ servo muturi ibridi jistgħu jiġu sinkronizzati jew ikkontrollati separatament permezz ta 'RS485
● Identifikazzjoni awtomatika tal-parametri tas-servo mutur ibridu wara li tixgħel.
● Taħdem bla xkiel, output ta 'torque għoli b'veloċità medja / għolja; Risposta veloċi, u tisħin baxx, vibrazzjoni baxxa.
● Input oppost - input tas-sinjal tal-kontroll differenzjali, sinjal ta 'allarm output OC
● Tadotta teknoloġija avvanzata ta 'kurrent varjabbli u frekwenza varjabbli, tista' tnaqqas il-mutur u ssuq it-tisħin u l-vibrazzjoni.
● Il-frekwenza massima tal-polz hija ta '500KHZ, (id-default huwa 200KHZ)
● Iż-żewġ muturi jistgħu jiġu kkontrollati minn kmand tal-polz wieħed jew minn żewġ kanali separatament kmand tal-polz.
● Il-vultaġġ ta 'l-input tal-polz huwa 4.5vdc-28vdc, ma hemmx bżonn li tgħaqqad xi resister
● Il-firxa tal-issettjar tal-mikro-pass hija ta '200 ~ 51200, u l-mikro-pass jista' jiġi ssettjat mill-port tas-serje
● Protezzjoni ta 'vultaġġ żejjed, taħt vultaġġ baxx u ta' kurrent żejjed
Drive karatteristika u gwida għażla | |
Mudell tas-sewqan | TS508D |
vultaġġ | 24 ~ 50VDC |
Produzzjoni kurrenti massima | 8A |
Kurrent ta 'tagħbija żejda ta' vettur | 12A |
piż | 0.5kg |
Bil-mutur stepper loop magħluq | TC42 (TC42-03, TC42-04, TC42-06, TC42-08) Serje TC57 [TC57-10, TC57-22C, TC57-28, TC57-30BK] Serje TC60 [TC60-20, TC60-30, TC60-40] Default (TC28, TC35 jew manifattur ieħor tal-mutur stepper loop magħluq) |
Kontroll tat-teknoloġija | 64-bit floating point dual-core DSP vector control loop magħluq |
Frekwenza tal-Polz | 500KHZ Max, id-default huwa 200KHZ |
Protezzjoni | Allarm ta 'vultaġġ żejjed, taħt vultaġġ, kurrent żejjed, żball żejjed |
Input ta 'sinjal | Polz, direzzjoni, jippermettu input tas-sinjal, port ta 'livell elettriku 4.5VDC — 28VDC, mingħajr l-ebda ħtieġa li tikkonnettja kwalunkwe resister |
Ħruġ ta 'sinjal | Produzzjoni OC, il-kurrent massimu tal-ħruġ huwa 100MA, jeħtieġ li tikkonnettja resistenza pull-up, Max pull-up voltage24VDC |
Feedback tal-kodifikatur | Kodifikatur tal-input differenzjat AB, wieħed-end jista 'jiġi personalizzat |
Diviżjoni | Default 1600 / rcv, DIP biex tissettja 200 ~ 51200 |
Selezzjoni miftuħa mill-qrib | MT1 għal MT4 tista 'tissettja loop mill-qrib jew ċirku miftuħ, issettjat mill-kompjuter ospitanti |
Uża l-ambjent | -5 ℃ ~ 55 ℃ |
Talba Komuni Customized | Ibbażat fuq ir-rekwiżiti tal-klijent |
Funzjoni DIP
Is-sett tal-mikro-pass tas-sewqan, id-direzzjoni inizjali tal-mutur u l-issettjar tal-funzjoni l-oħra permezz ta '8 swiċċijiet DIP, dettalji kif ġej:

Tabella tal-Polz / REV
Pul / REV | SW1 | SW2 | SW3 | SW4 |
Default (200) | FUQ | FUQ | FUQ | FUQ |
400 | OFF | FUQ | FUQ | FUQ |
800 | FUQ | OFF | FUQ | FUQ |
1600 | OFF | OFF | FUQ | FUQ |
3200 | FUQ | FUQ | OFF | FUQ |
3600 | OFF | FUQ | OFF | FUQ |
6400 | FUQ | OFF | OFF | FUQ |
12800 | OFF | OFF | OFF | FUQ |
25600 | FUQ | FUQ | FUQ | OFF |
1000 | OFF | FUQ | FUQ | OFF |
2000 | FUQ | OFF | FUQ | OFF |
4000 | OFF | OFF | FUQ | OFF |
5000 | FUQ | FUQ | OFF | OFF |
7200 | OFF | FUQ | OFF | OFF |
8000 | FUQ | OFF | OFF | OFF |
10000 | OFF | OFF | OFF | OFF |
Rimarka: Fuq il-pass mikro huwa l-istandard ta 'din is-sewqan, għal oħrajn, ibbażat fuq it-talba tal-klijent jew ospitanti li tissettja, il-firxa hija ta' 200 ~ 51200
MOTOR DIR issettjar
SW5 = OFF, 4 Motors direzzjoni hija CCW; SW5 = ON, 4 muturi direzzjoni hija CW
GĦAŻLA TAL-MOD
SW6 = OFF, 4 muturi huma modalità ta 'kontroll tal-vettur FOC;
SW6 = ON, 4 muturi huma modalità ta 'kontroll tal-moviment tal-punt b'veloċità għolja PM
GĦAŻLA BIL-MUTUR
SW7 = OFF, agħżel is-servo mutur ibridu TC42 u TC57 tagħna
SW7 = ON, agħżel is-servo mutur ibridu TC60 u TC86 tagħna
Jekk għal TC28 jew mutur servo ibridu ieħor tal-kumpanija, pls ikkuntattjana għal appoġġ qabel ix-xiri
GĦAŻLA TAL-PULS
SW8 = OFF, PUL + DIR
SW8 = ON, modalità ta 'polz doppju (CW / CCW)
L-issettjar kurrenti
Kurrenti tal-quċċata | Kurrent RMS | SW5 | SW6 | SW7 |
Default | 1.4A (PK) | OFF | OFF | OFF |
2.1A | 1.5A | FUQ | OFF | OFF |
2.7A | 1.9A | OFF | FUQ | OFF |
3.2A | 2.3A | FUQ | FUQ | OFF |
3.8A | 2.7A | OFF | OFF | FUQ |
4.3A | 3.1A | FUQ | OFF | FUQ |
4.9A | 3.5A | OFF | FUQ | FUQ |
5.6A | 4.0A | FUQ | FUQ | FUQ |
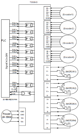
Wajers u dimensjoni TS508D


It-tags Popolari: erba 'assi fi servo drive ibridu wieħed, manifattur, fornitur, fabbrika
















